一种基于定量泵的电驱动液压挖掘机负流量系统
注:上述费用仅包含专利权利转让费用,不包含专利年费或因年费未及时缴纳产生的滞纳金、恢复费。专利年费是专利权人依照专利法规定,自被授予专利权的当年开始,在专利权有效期内逐年应向专利局缴纳的费用。由于出售的专利类型、专利年限以及专利权人是否满足国家费用减缓的条件均会影响具体年费金额,需根据购买专利的实际情况进行缴纳。缴纳年费以及滞纳金、恢复费需单独和平台顾问确认且不属于下单后加价行为,故无法适用保障。
专利申请号:
CN201410063223.2
专利类型:
发明专利
技术分类:
E02F9/22(2006.01)I
专利有效期:
2034-02-25
友情提示:该资源未保障“真” “价”,付款前请核实资源真实性与价格。
在线咨询

- 该资源已获得保障和赔付:
- 转让不成功退款退
- 转让超期必赔时
- 该资源未获得保障和赔付:
- 资源不保真必赔真
- 下单后加价必赔价
专利信息
专利名称:一种基于定量泵的电驱动液压挖掘机负流量系统
商品编号:5686524
复制
申请日期:2014-02-25
公开/公告号:CN103850286A
授权公告日/公开日:2014-06-11
申请/专利权人:
华**学
发明/设计人:
林**
主分类号:E02F9/22(2006.01)I
IPC分类号:E02F9/22
说明书摘要免费下载摘要
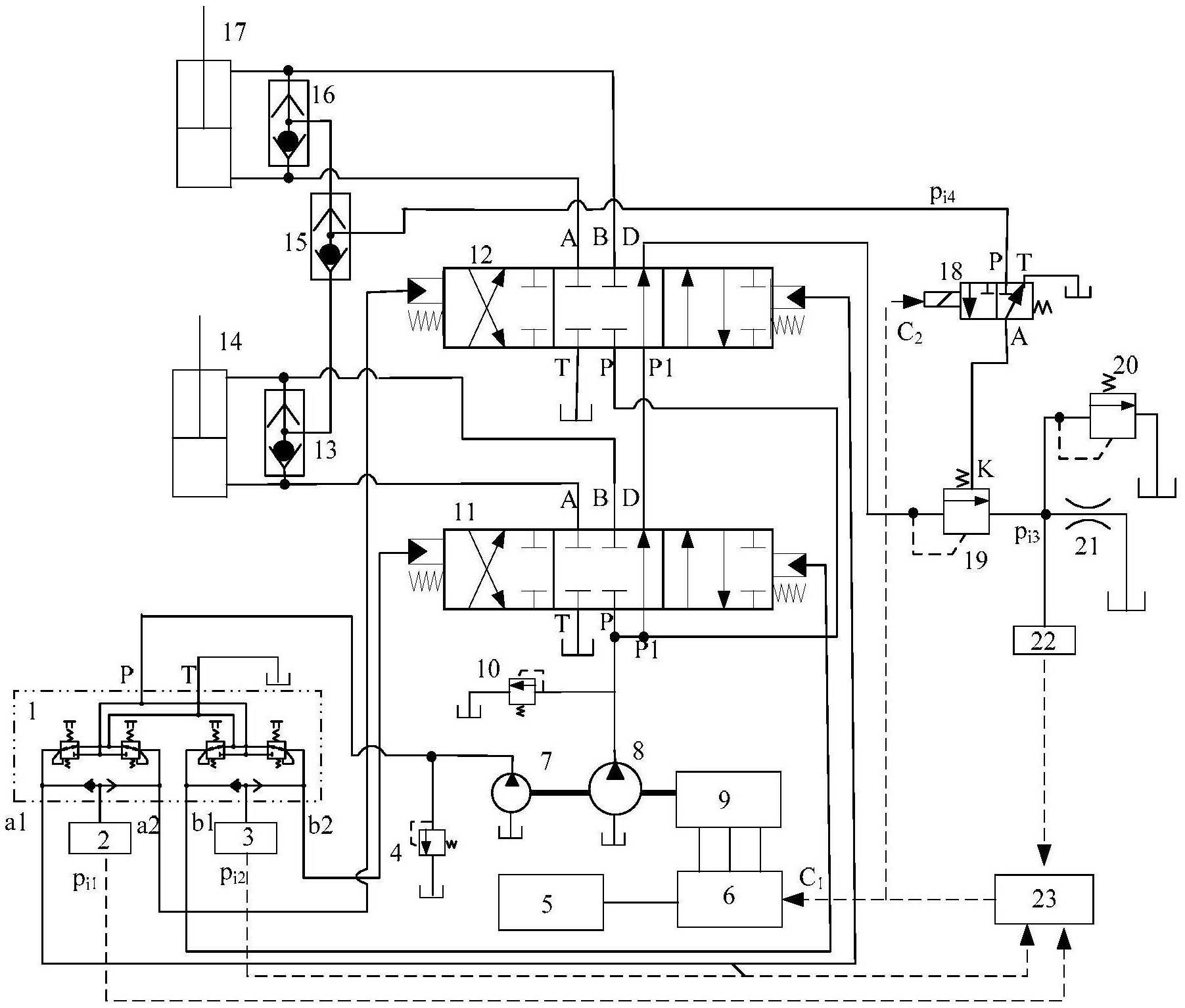
本发明公开一种基于定量泵的电驱动液压挖掘机负流量系统,包括先导操作手柄、第一压力继电器、第二压力继电器、第一溢流阀、电量储存单元、电机控制器、第一定量泵、第二定量泵、电动机、第二溢流阀、第一开中心六通比例方向阀、第二开中心六通比例方向阀、第一梭阀、第一油缸、第二梭阀、第三梭阀、第二油缸、电磁换向阀、定差溢流阀、第三溢流阀、节流口、压力传感器以及总成控制器等。通过配合采用电动机和定量泵,在降低成本的同时通过动态调整电动机的转速实现液压泵流量和负载所需流量的匹配。本发明克服了传统负流量系统在重载时调速行程较短的不足之处,在建立负载所需要压力之前在节流口上没有节流损耗,降低液压系统的能量损失。
转让流程

提出需求
提出您的专利需求
顾问一对一服务
顾问一对一服务

顾问匹配
顾问匹配资源库
快速确定优质专利
快速确定优质专利

签订合同
签订专利转让协议
成功付款
成功付款

递交申请
准备转让资料
国知局审查办理
国知局审查办理

领取证书
获得专利权,投入使用
所需资料
买方提供资料

个人身份证

公司或个体营业执照
购买后获得证书

专利证书

专利登记簿副本

手续合格通知书
平台优势
常见问题
购买专利需要什么资料?
一种基于定量泵的电驱动液压挖掘机负流量系统专利,专利类型:发明授权,技术分类是:E02F9/22(2006.01)I,购买一种基于定量泵的电驱动液压挖掘机负流量系统专利,需要申请人和发明人的基础信息,还需提供一种基于定量泵的电驱动液压挖掘机负流量系统专利的详细信息。
专利交易转让时间是多久?
专利权转让期限一般是2~6个月的时间获得专利转让通知书,在转让之前双方需要签订转让合同即可,一种基于定量泵的电驱动液压挖掘机负流量系统专利具体的操作步骤,可以联系八戒数字交易的客服一对一服务。
相似专利
换一换








